GEBERIT DUOFIX podomítková nádržka Sigma 12cm, pro montáž do sádrokartonu

Kód: 111.925.00.6
Novinka
Neohodnoceno
9 156 Kč / ks 7 567 Kč bez DPH
skladem u dodavatele (10 ks)

Detailní informace

Detailní popis produktu

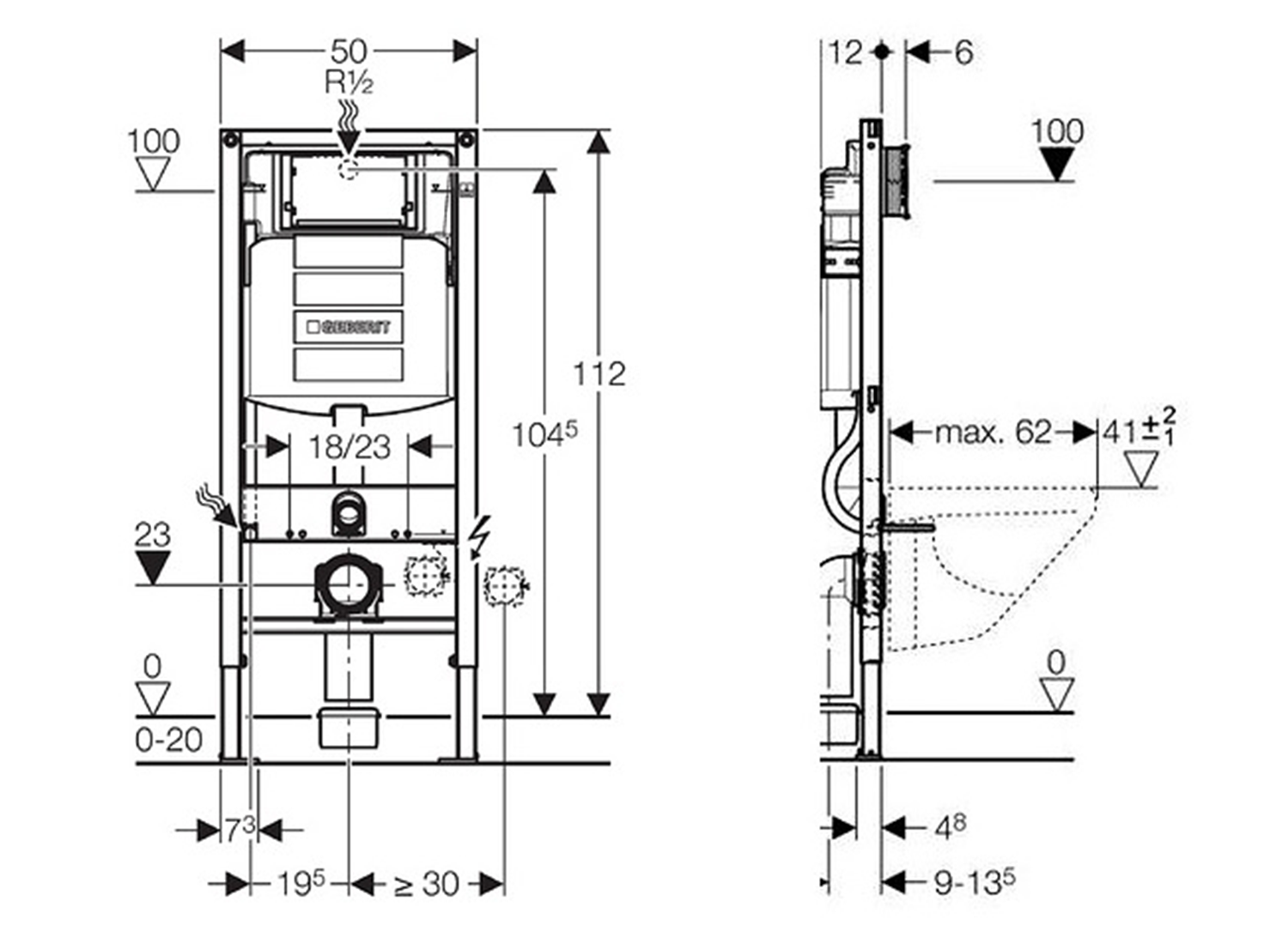
Technický nákres

Popis

  • Se splachovací nádržkou pod omítku Sigma 12 cm
  • Pro kovové a dřevěné sloupkové stěny
  • Pro systémové stěny Geberit Duofix
  • K montáži do čelních stěn částečně vysokých nebo vysokých na výšku místnosti
  • K montáži do dělicích stěn vysokých na výšku místnosti
  • Pro tloušťky podlahy 0–25 cm
  • Pro závěsná WC

Vlastnosti

  • Staticky samonosný rám, chráněný proti korozi práškovým potahem
  • Rám pro závěsná WC s připojovacími rozměry dle EN 33 a vyložením až 70 cm
  • S výsuvnou deskou pro boční upevnění nad montážním prvkem na kovové nebo dřevěné profily nebo na systémové stojiny Geberit Duofix
  • Alternativní montážní poloha pro nástěnné kotvy
  • Patní desky lze otáčet, vhodné pro montáž do U profilů UW 50 a UW 75
  • Patní desky lze instalovat do systémové lišty Geberit Duofix bez nářadí, bez dalších komponentů
  • Pozinkované podpěry, chráněné proti korozi, s protiskluzovými vlastnostmi
  • Připojovací koleno pro montáž bez nářadí v různých hloubkách, rozsah nastavení 45 mm
  • Splachovací nádržka pod omítku Geberit Sigma 12 cm, s izolací proti orosování
  • Pro ovládání zepředu, vhodné pro 1 množství splachování, 2 množství splachování a splachování Start/Stop
  • U nastavení z výroby je možné okamžité dodatečné spláchnutí
  • Přívod vody vzadu nebo nahoře uprostřed
  • Kryt pro hrubou montáž pro servisní otvor s možností zkrácení, chrání před vlhkostí a nečistotami
  • S trubkovou chráničkou pro přívodní potrubí vody pro sprchovací WC Geberit AquaClean a pro připojovací kabel
  • Možnost upevnění pro přívod elektřiny a Power & Connect Box

Technické údaje

  • Tlak při průtoku: 10 - 1 000 kPa
  • Maximální teplota vody: 25 °C
  • Splachovací množství - nastavené ve výrobě: 3/6 l
  • Velké splachovací množství - rozsah nastavení: 4/ 4,5 / 6 / 7,5 l
  • Malé splachovací množství - rozsah nastavení: 2 - 4 l
  • Výpočtový průtok: 0,09 l/s
  • Minimální přetlak pro výpočtový průtok: 10 kPa

Obsah balení

  • Přívod vody R 1/2", vhodný pro MasterFix a MeplaFix, s integrovaným rohovým ventilem a ručním ovládacím kolečkem
  • Kryt pro hrubou montáž pro servisní otvor
  • Připojovací souprava pro WC, průměr 90 mm
  • Připojovací koleno 90° z PE-HD, průměr 90 mm
  • Přechodka z PE-HD, průměr  90 / 110 mm
  • Upevňovací materiál

Dokumenty - Návod

Doplňkové parametry

Kategorie: Instalační materiál
Záruka: 24 měsíců
Hmotnost: 14.9 kg
EAN: 4064746031526
Počet balení: 1
Balení: 1
EAN: 4064746031526
Hmotnost: 14.9000
Taric: 39229000
Záruka: 2 roky
Značka: GEBERIT

Buďte první, kdo napíše příspěvek k této položce.

Nevyplňujte toto pole:

Bezpečnostní kontrola